SORU BANKASI Filtrele

Biyomedikal Sistemlerle Mesleki Çizimler Ünite / Modül Soruları


Soru 1

ikinci öğrenme faaliyetindeki alan ölçüleri verilen hastane odalarının A3 kâğıt ölçülerinde çizilmesi durumunda kâğıtta yatay ve dikey dış ölçüler kaç santimdir?

A) 1535*2145 B) 15,35*21,45
C) 3070*4290 D) 30,70*42,90

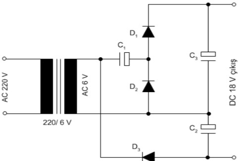
Soru 2

Aşağıdaki devrede kaç düğüm noktası vardır?

A) 3B) 4C) 9D) 6

Soru 3

  Sembolünün ifadesi aşağıdakilerden hangisidir?

A) VE kapısı B) Veya kapısı
C) VEYA DEĞiL kapısı D) ÖZEL VEYA DEĞiL kapısı

Soru 4

Sembolünün ifadesi aşağıdakilerden hangisidir?

A) Bir iletkenden kol ayrımı B) Bir fazlı aktif sayaç
C) Koruma iletkeni D) Işık ana tablosu

Soru 5

Bir refkontak tesisatında aşağıdaki malzemelerden hangisi bulunmaz?

A) Transistör B) Çağırma butonu
C) Söndürme butonu D) iki sinyal lambası

Soru 6

Aşağıdaki devre ne devresidir?

A) Bir butonla iki zilin çalıştırılması
B) Üç butonla bir zilin çalıştırılmasının kapalı şeması
C) Karşılıklı çağırma devresi açık şeması
D) Bir butonla bir zilin çalıştırılmasının açık şeması

Soru 7

Demontaj aşamalarının düzgün belirtilmesi ........... sağlar.

A) Etrafın çok kirlenmemesini sağlar.
B) Sökülen cihazın tekrar birleştirilmesine olanak sağlar.
C) Malzeme ve parçaların sağlamlığının kontrolünü sağlar.
D) Eleman sayısının belirlenmesini sağlar.

Soru 8

Sökme işlemine .......... denir.

A) Tanımlama B) Açıklama
C) Demontaj D) Montaj

Soru 9

Bir makine ya da araç, üretime geçmeden önce parça, parça imal edilir. Daha sonra bu parçaların bir araya getirilerek birleştirilir.

Bu işleme .......... denir.

A) Tanımlama B) Açıklama
C) Demontaj D) Montaj

Soru 10

 Sembolünün ifadesi aşağıdakilerden hangisidir?

A) PNP transistör B) Fotosel
C) UJT transistör D) Çift kapılı mosfet

Soru 11

  Sembolünün ifadesi aşağıdakilerden hangisidir?

A) Transformatör B) Hoparlör
C) Trimpot D) PTC

Soru 12

   Sembolünün ifadesi aşağıdakilerden hangisidir?

A) LDRB) NTCC) PTCD) VDR

Soru 13

   Sembolünün ifadesi aşağıdakilerden hangisidir?

A) LDRB) NTCC) PTCD) VDR

Soru 14

 Sembolünün ifadesi aşağıdakilerden hangisidir?

A) Numaratör B) Sabit direnç
C) Siren D) Kademeli direnç

Soru 15

 Sembolünün ifadesi aşağıdakilerden hangisidir?

A) Yangın ihbar hattı B) Hoparlör
C) Yangın ihbar sistemi D) Yangın ihbar butonu

Soru 16

Sembolünün ifadesi aşağıdakilerden hangisidir?

A) Transformatör B) Hoparlör
C) Kuvvetlendirici D) Zil hattı

Soru 17

 Sembolünün ifadesi aşağıdakilerden hangisidir?

A) Transformatör B) Hoparlör
C) Ses yayın santrali D) Mikrofon

Soru 18

Sembolünün ifadesi aşağıdakilerden hangisidir?

A) Numaratör B) Kapı otomatiği
C) Ses yayın santrali D) Kapı zili

Soru 19

 Sembolünün ifadesi aşağıdakilerden hangisidir?

A) Numaratör B) Buton
C) Siren D) Kapı zili

Soru 20

Sembolünün ifadesi aşağıdakilerden hangisidir?

A) Filtre B) "VE" valfi
C) Enerji besleme birimi D) "VEYA"valfi
Seçilen
Soru
Sayısı
0
12
2 Sayfada Toplam 29 soru listeleniyor