SORU BANKASI Filtrele

Devre ve Mekanizma Çizimleri Ünite / Modül Soruları


Soru 1

Aşağıda şematik resmi verilen hidrolik sistemin devre şemasını çiziniz.


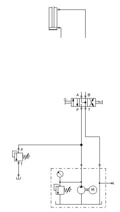
Soru 2

şematik resmi verilen hidrolik sistemin devre şemasını çiziniz.


Soru 3

Bir taşıma bandı iş parçalarını kesintisiz olarak bir boya kuruta fırınından geçiriyor. Fırın kapağının gerektiğinden fazla açık olmasından dolayı oluşacak ısı kayıplarını en az düzeye indirmek için , kapağı açıklığının geçen iş parçasının yüksekliğine göre ayarlanması gerekmektedir.

Bunun için planlanan hidrolik sistem kapağı aşağı kaydırmadan uzun süre bulunduğu konumda tutabilmelidir.

Verilen bilgilere göre aşağıdaki hidrolik şema çizimini tamamlayınız.


Soru 4

Üstteki sembol hangi elemanı tanımlamaktadır?

A) Enerji besleme birimi B) 4/N yön kontrol valfi
C) VEYA valfi D) 5/N yön kontrol valfi

Soru 5

Yukarıdaki sembol hangi elemanı tanımlamaktadır?

A) Filtre B) Kapama valfi
C) Tank D) Çift Etkili silindir

Soru 6

Üstteki sembol hangi elemanı tanımlamaktadır?

A) Röle B) Temassız algılayıcı
C) Basınç şalteri D) Sayıcı röle

Soru 7

Aşağıdaki sembol hangi elemanı tanımlamaktadır?

A) Debimetre B) Basınç ölçme aleti
C) Hidrolik motor D) Işıklı ikaz
Seçilen
Soru
Sayısı
0