SORU BANKASI Filtrele

Pnömatik Sistemler Ünite / Modül Soruları


Soru 1

Aşağıdakilerden hangisi basınç kontrol elemanıdır?

A) Zaman gecikme valfi B) 3/2 yön kontrol valfi
C) VE valfi D) VEYA valfi
E) Tahliyeli basınç ayar valfi

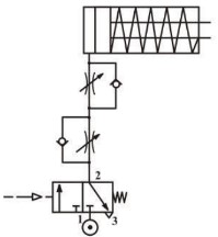
Soru 2

Yukarıdaki şekilde silindir için 2 adet çek valfli akış kontrol valfi kullanılmasının sebebi aşağıdakilerden hangisidir?

A) İleri hareket hızını ayarlamak.
B) Geri hareket hızını ayarlamak.
C) İleri ve geri hareket hızlarını birbirinden bağımsız ayarlamak.
D) Piston itme kuvvetini azaltmak.
E) Pistonun itme kuvvetini artırmak.

Soru 3

Aşağıdakilerden hangisi pnömatik valflerle kontrol edilemez?

A) BasınçB) HızC) Konum
D) SıcaklıkE) Yön

Soru 4

Dört bağlantı noktası ve iki iş yapacak olan yön kontrol valfi, aşağıdakilerden hangisiyle adlandırılır?

A) 3/2B) 2/4C) 4/2D) 5/2E) 5/3

Soru 5

Pnömatik sistemlerde kullanılan havanın iş yaptıktan sonra yönlendirildiği yer aşağıdakilerden hangisidir?

A) AtmosfereB) TankaC) Silindire
D) KompresöreE) Son soğutucuya

Soru 6

Aşağıdakilerden hangisi, piston geri çekilme hızının kontrolünü sağlamakta kullanılan devre elemanıdır?

A) KompresörB) SilindirC) VE valfi
D) Akış kısma valfiE) Yön kontrol valfi

Soru 7

Taban alanı 0,1 m² ve ağırlığı 50 kg olan bir cismin tabanına uyguladığı basınç kaç N/m’dir (Yerçekimi ivmesi a=10 m/s² alınacaktır.)?

A) 500B) 2000C) 2500
D) 4000E) 5000

Soru 8

Sabit hacimdeki bir silindir içinde bulunan gaza ısı verildiğinde aşağıdaki durumlardan hangisi gerçekleşir?

A) Basınç artar B) Hacim artar
C) Silindir genleşir D) Kütle azalır
E) Basınç azalır

Soru 9

Aşağıdakilerden hangisi pnönatik sistemlerdeki havanın yağlanmasının nedenlerinden değildir?

A) Sürtünme kuvvetini azaltmak
B) Pnömatik elemanların korozyondan korumak
C) Pnömatik sistemdeki sızıntıları önlemek
D) Pnömatik sistemin basıncına azaltmak
E) Pnömatik sistemde basınç kaybını engellemek

Soru 10

Üzerinde filtre, basınç ayarlayıcısı ve yağlayıcı bulunduran, basınçlı havayı istenen çalışma şartlarına hazırlayan pnömatik devre elemanı aşağıdakilerden hangisidir?

A) ValfB) KompresörC) Manometre
D) ŞartlandırıcıE) Basınç Kontrol Valfi

Soru 11

Basınçlı havayı temizleyerek sisteme kirletici parçacıkların gitmesini engelleyen devre elemanı aşağıdakilerden hangisidir?

A) ÇekvalfB) FiltreC) Kurutucu
D) KompresörE) Yağlayıcı

Soru 12

1 bar’ın Pascal cinsinden değeri aşağıdakilerden hangisidir?

A) 100B) 1000C) 10000
D) 100000E) 1000000

Soru 13

Atmosferden emdikleri havayı sıkıştırarak basınçlı hâle getiren devre elemanları aşağıdakilerden hangisidir?

A) DepoB) FiltreC) Kompresör
D) KurutucuE) Valf

Soru 14

Yeryüzünü çevreleyen hava tabakasının, yeryüzüne yapmış olduğu basınç aşağıdakilerden hangisidir?

A) Alçak basınç B) Atmosfer basıncı
C) Mutlak basınç D) Normal basınç
E) Yüksek basınç

Soru 15

Pnömatik sistemler aşağıdakilerden hangisinin istendiği durumda tercih edilmez?

A) TemizlikB) EmniyetC) Hız
D) Büyük güçE) Uzun mesafelerde

Soru 16

Silindir hareketsizken yön kontrol valflerinin egzoz çıkışlarından hava geliyorsa ............ ya da ............... sorun var demektir.


Soru 17
............ bakımda şartlandırıcı üzerinde ya da bağımsız olarak kullanılan yağlayıcıların yağ seviyeleri kontrol edilip tamamlanmalıdır.


Soru 18
............ bakımda hava kazanı altında bulunan boşaltma musluğunu açık konuma getirerek birikintinin boşaltılmasını sağlayın.


Soru 19

Hidrolik akışkanların sıkıştırılamaz özellikte olması, piston hareketi hızının ............. olmasını sağlar.


Soru 20

Basınç ayar valfi (kapama valfi) devre elemanlarının ............... ayarlamak amacıyla kullanılır.

Seçilen
Soru
Sayısı
0
1234...7
7 Sayfada Toplam 124 soru listeleniyor