SORU BANKASI Filtrele

Basınçlı Hava Hazırlama ve Eleman Seçme Ünite / Modül Soruları


Soru 1

Pnömatik sistem bağlantı elemanları ile ilgili aşağıdaki bilgilerden hangisi yanlıştır?

A) Havayı hat boyunca taşıyan sistem elemanı borudur.
B) Boru çapı ne kadar büyükse o kadar iyidir.
C) Boru çapının çok küçük olması basınç kaybına neden olur.
D) Sızıntıyı önleyici parçalar kullanılmalıdır.
E) Malzemeleri çelik veya pirinç olabilir.

Soru 2

Aşağıdakilerden hangisi pnömatik sistemin avantajlarından değildir?

A) Termiz ve güvenilirdir.
B) Üretimi kolay ve ekonomiktir.
C) Kaynağı atmosferdir.
D) Hava içindeki nem korozyon yapabilir.
E) Isı değişimlerinden çok fazla etkilenmez

Soru 3

Aşağıdaki şekilde görülen yön kontrol vanası kaç yolludur?

A) 3/2 yolluB) 4/3 yolluC) 4/2 yollu
D) 2/2 yoluE) 3/3 yollu

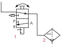
Soru 4

Şekilde pnömatik sistemden bir kesit verilmiştir. Şekildeki sistem elemanları ile ilgili aşağıda verilen bilgilerden hangisi yanlıştır?

A) Yön kontrol vanası iki konumludur.
B) 2 numaralı eleman filtredir.
C) 2 numaralı eleman havanın nemi ve tozunu giderir.
D) 1 numaralı eleman yağ gidericidir.
E) 1 numaralı eleman sıvı akışını kontrol eder.

Soru 5
  1. Otomotiv
  2. Tarım
  3. Sanayi

Yukarıdaki alanlardan hangilerinde pnömatik sistemlerden faydalanılır?

A) Yalnız IB) I ve IIC) I ve III
D) II ve IIIE) I, II ve III

Soru 6

Boru bağlantılarında boruların güvenli, temiz ve kolay sökülüp takınabilirliğini sağlamak için yüksüklü rakorlar geliştirilmiştir.

Doğru      Yanlış

Soru 7

Küçük çaplı ve sık sökülüp takılması gereken yerlerde çabuk sökme pensleri kullanılır.

Doğru      Yanlış

Soru 8

Aromatik yada koku yapan maddeleri basınçlı havadan uzaklaştırmak için aktif karbon mikrofiltre kullanılması gerekmektedir.

Doğru      Yanlış

Soru 9

Özellikle gıda ve eczalık sektöründe kullanılacak basınçlı havanın muhakkak yağlandırılması gerekmektedir.

Doğru      Yanlış

Soru 10

Basınçlı hava genellikle şartlandırıcıya kadar borularla, şartlandırıcıdan sonra ise hortumlar ile iletilir.

Doğru      Yanlış

Soru 11

Yumuşak plastik hortumların bağlanmasında vidalı rakorlar kullanılır.

Doğru      Yanlış

Soru 12

Basınçlı havanın birden çok hatta ayrılmasında akış bölücüler kullanılır.

Doğru      Yanlış

Soru 13

Hortum kesilirken yan keski kullanmak gerekir.

Doğru      Yanlış

Soru 14

Yağlayıcılar genellikle venturi ilkesine göre çalışırlar.

Doğru      Yanlış

Soru 15

Sabit basınç altındaki gazın sıcaklığı değiştirilirse hacmi de ters orantılı bir şekilde değişir.

Doğru      Yanlış

Soru 16

Şartlandırıcı filtre ve basınç regülatöründen oluşur.

Doğru      Yanlış

Soru 17

Şartlandırıcıda kullanıla ilk tip filtreler dokumadır.

Doğru      Yanlış

Soru 18

Herhangi bir ortamdaki havanın basıncı atmosfer basıncından küçük olursa ............... etkisi oluşur.


Soru 19

Sıvı ve gazların bir kuvvet etkisi altındaki davranışlarını inceleyen bilim dalına ..................... denir.


Soru 20

Basınçlı hava ile çalışan mekanik sistemlerin hareket ve kontrolünü inceleyen bilim ve mühendislik dalına .................... denir.

Seçilen
Soru
Sayısı
0
123
3 Sayfada Toplam 41 soru listeleniyor