Binayı çevreleyen, genellikle su ve rutubet oluşumundan binayı korumak için yapılan dışa doğru eğimli yapı elemanlarına tretuvar denir.
Tretuvar, binayı su ve rutubete karşı korumak için yapılır.
Planlarda kısmi tarama, sadece kuru mekanlarda yapılır.
Planlarda mekân taraması, sadece ıslak hacimlerde yapılır.
Planlarda tefriş, daha görsel çizimler elde etmek için yapılır.
Aşağıdakilerden hangisi teknik çizimde 5’lik yazı şablonu için kullanılan doğru ifadedir?
Verilen planda tretuvar yüksekliği 20 cm ise eksik bırakılan kotlar aşağıdakilerin hangisinde doğru verilmiştir?
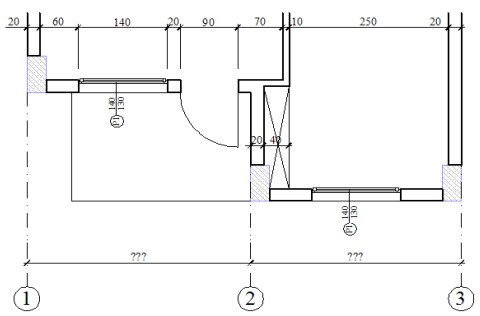
Verilen planda eksik bırakılan aks ölçüleri aşağıdakilerin hangisinde doğru verilmiştir?
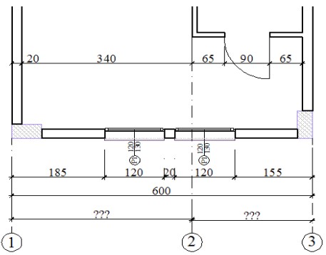
Verilen planda eksik bırakılan aks ölçüsü değeri aşağıdakilerin hangisinde doğru verilmiştir?
Betonarme (karkas) yapı dış ölçülendirmesi en fazla kaç çizgi ile verilir?
Aşağıdakilerden hangisi betonarme yapının esas ayırt edici unsurudur?
Betonarme yapı elemanı aşağıdakilerin hangisi için söylenebilir?
İç merdiven dengelendirilirken aşağıdakilerden hangisi önce çizilir?
Planda hangi aşamada sıva çizimi yapılır?
Betonarme yapı plan çizimine aşağıdakilerden hangisi ile başlanır?