SORU BANKASI Filtrele

Yapı Elemanları Ölçülendirme ve Tarama Ünite / Modül Soruları


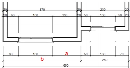
Soru 1

Aşağıdakilerden hangisinde üstteki resimde a ve b ölçü değerleri doğru verilmiştir?

A) a=160, b=410 B) a=150, b=390
C) a=150, b=410 D) a=140, b=390

Soru 2

 işaretli değerin ifadesi aşağıdakilerden hangisinde doğru verilmiştir?

A) Basamak genişliği B) Rıht yüksekliği
C) Rıht sayısı D) Basamak sayısı

Soru 3

 işaretli değerin ifadesi aşağıdakilerden hangisinde doğru verilmiştir?

A) Kapı genişliğini ifade eder.
B) Pencere genişliğini ifade eder.
C) Kapı yüksekliğini ifade eder.
D) Pencere yüksekliğini ifade eder.

Soru 4

Üstteki şekilde ? işaretinin ölçüsü aşağıdakilerden hangisinde doğru verilmiştir?

A) +1.90B) +1.80C) +1.85D) +1.95

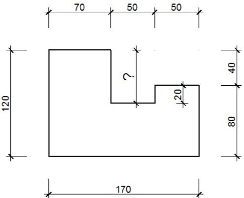
Soru 5

Üstteki şekilde ? işaretinin ölçüsü aşağıdakilerden hangisinde doğru verilmiştir?

A) 40B) 60C) 50D) 30

Soru 6

Aşağıdakilerden hangisi kesitte ahşap taramasıdır?

A)  B)
C)  D)

Soru 7

Aşağıdakilerden hangisi su ve neme karşı yalıtım taramasıdır?

A)  B)
C)  D)

Soru 8

Aşağıdakilerden hangisi betonarme taramasıdır?

A)  B)
C)  D)

Soru 9

Aşağıdakilerden hangisinde üstteki şekilde gösterilen 1 numaralı yayın ifadesi doğru verilmiştir?

A) Kapı üst seviyesini ifade eder.
B) Kapı açılış yönünü ifade eder.
C) Kapı kanadını ifade eder.
D) Kapı kanadının kasayla bağlantısını gösterir.

Soru 10

Aşağıdakilerin hangisinde baca gösterimi doğru verilmiştir?

A)  B)
C)  D)

Soru 11

Aşağıdakilerden hangisinde giysi dolabı doğru ifade edilmiştir?

A)  B)
C)  D)

Soru 12

Üstteki şekilde "X" işaretinin ifade ettiği anlam aşağıdakilerin hangisinde doğru verilmiştir?

A) Kesitin X ekseninde olduğunu ifade eder.
B) Kesit yerinin bilinmediğini gösterir.
C) Kesitin bulunduğu paftayı gösterir.
D) Kesitin adıdır.

Soru 13

Aşağıdakilerden hangisi merdiven çıkış çizgisi bitimini ifade eder?

A)  B)
C)  D)

Soru 14

Aşağıdakilerden hangisi planda kot işaretini ifade eder?

A)  B)
C)  D)

Soru 15

Aşağıdakilerden hangisi yapı meslek resminde yön işaretidir?

A)  B)
C)  D)
Seçilen
Soru
Sayısı
0