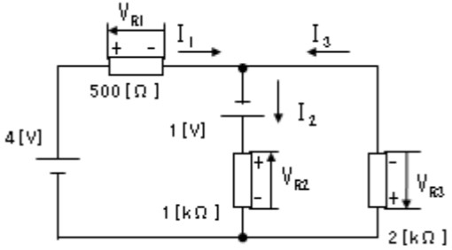
Yukarıdaki devrede gösterilen (I) akım değeri aşağıdakilerden hangisidir?
Yukarıdaki şekilde I 3 akımı ters yönde kabul edilmiştir. Buna göre I3 akımının değeri aşağıdakilerden hangisidir?
Yukarıda verilen devrede birinci koldan geçen akım değeri aşağıdakilerden hangisidir?
Yukarıdaki devrede ortadaki (ikinci) koldan geçen akım değeri aşağıdakilerden hangisidir?
Akım Multimetre ile ölçülen elektriksel büyüklüklerdendir.
Karayollarındaki araçların akışları akımın akışı gibidir.
Elektrik devrelerinde potansiyel fark "Direnç" olarak ifade edilir.
Elektrik yükü birimi amperdir (A).
Dirençler, 1000'er 1000'er büyür ve küçülür.
Elektrik enerjisi ile çalışan alıcıya elektrik enerjisi uygulandığında ısı ışık hareket ve benzeri şekilde iş elde edilir.
Akım, Gerilim, Direnç, Metre, Litre değerlerini ölçen aletlere Multimetre denir.
Multimetrelerin siyah renkli probları COM soketine takılır.
Alternatif akım DC, Doğru akım AC şeklinde, ölçülecek büyüklüğün cinsi tespit edilir.
Elektrik akımı büyük K harfi ile gösterilir.
Gerilimin birimi Volttur.
Gücü elde etmek için gerilim ve direnç değerlerine ihtiyaç vardır.
Aşağıdakilerden hangisi elektrik akımına karşı gösterilen zorluğu ifade eder?
Volt, ohm ve amper olarak sırasıyla verilmiş birimlerin ait oldukları elektriksel büyüklükler aşağıdakilerin hangisinde doğru sıralama ile verilmiştir?
Sırası ile kırmızı, yeşil, turuncu ve altın renklerine sahip direncin değeri aşağıdakilerden hangisidir?
Sırası ile sarı, mor, siyah ve gümüş renklerine sahip direncin değeri aşağıdakilerden hangisidir?